
![]() |
![]() |
| Sensing Distance Sn | 10 m | 20 m | |||
| Emitter / Receiver | Emitter | Receiver | Emitter | Receiver | |
| Product Code | NPN NO | PEB18DC-ZNM-E10NNO | PEB18DC-ZNM-R10NNO | PEB18DC-ZNM-E20NNO | PEB18DC-ZNM-R20NNO |
| NPN NC | PEB18DC-ZNM-E10NNC | PEB18DC-ZNM-R10NNC | PEB18DC-ZNM-E20NNC | PEB18DC-ZNM-R20NNC | |
| NPN NO + NC | PEB18DC-ZNM-E10NNB | PEB18DC-ZNM-R10NNB | PEB18DC-ZNM-E20NNB | PEB18DC-ZNM-R20NNB | |
| PNP NO | PEB18DC-ZNM-E10PNO | PEB18DC-ZNM-R10PNO | PEB18DC-ZNM-E20PNO | PEB18DC-ZNM-R20PNO | |
| PNP NC | PEB18DC-ZNM-E10PNC | PEB18DC-ZNM-R10PNC | PEB18DC-ZNM-E20PNC | PEB18DC-ZNM-R20PNC | |
| PNP NO + NC | PEB18DC-ZNM-E10PNB | PEB18DC-ZNM-R10PNB | PEB18DC-ZNM-E20PNB | PEB18DC-ZNM-R20PNB | |
| Output Indicator | LED, Green | LED, Yellow | LED, Green | LED, Yellow | |
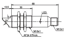
| Housing Size (mm) | M18 × 1 × 81.5 | ||||
| Light Type | Infrared LED(880 nm) | ||||
| Supply Voltage | 10…30 V DC | ||||
| Voltage Drop | ≤ 2.5 V | ||||
| Response Time Max. | 8.2 ms | ||||
| Load Current | ≤ 200 mA | ||||
| No-Load Current | ≤ 25 mA | ||||
| Hysteresis | 3…20 % | ||||
| Repeat Accuracy | ≤ 5 % | ||||
| Protection Circuit | Reverse Polarity, Short-Circuit and Surge Protection | ||||
| Ambient Temperature | -15…+55 ℃ | ||||
| Ambient Moisture | 35…95 % | ||||
| Enclosure Type (IEC 60529) | IP67 | ||||
| Housing Material | Nickel-Copper Alloy | ||||
| Connection | M12 Connector | ||||
| Approvals / Conformity | CE | ||||