
![]() |
![]() |
| Sensing Distance Sn | 10 m | ||
| Emitter / Receiver | Emitter | Receiver | |
| Product Code | AC 2-Wire NO | PEB18AC-ZNC-E10NO | PEB18AC-ZNC-R10NO |
| AC 2-Wire NC | PEB18AC-ZNC-E10NC | PEB18AC-ZNC-R10NC | |
| Output Indicator | LED, Green | LED, Yellow | |
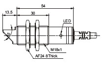
| Housing Size (mm) | M18 × 1 × 83.5 | ||
| Light Type | Infrared LED(880 nm) | ||
| Supply Voltage | 20…250 V AC | ||
| Voltage Drop Static | ≤ 10 V | ||
| Response Time Max. | 50 ms | ||
| Load Current | ≤ 300 mA | ||
| No-Load Current | ≤ 3 mA | ||
| Repeat Accuracy | ≤ 5 % | ||
| Protection Circuit | Surge Protection | ||
| Ambient Temperature | -15…+55 ℃ | ||
| Ambient Moisture | 35…95 % | ||
| Enclosure Type (IEC 60529) | IP67 | ||
| Housing Material | Nickel-Copper Alloy | ||
| Connection | PVC Cable 2m | ||
| Approvals / Conformity | CE | ||