
|
|
|
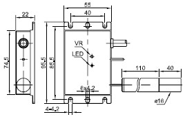
| Installation Condition | Non-Flush | |
| Sensing Distance Sn | 8 mm | |
| Product Code | NPN NO | CPT55D3-RPC-N8NNO |
| NPN NC | CPT55D3-RPC-N8NNC | |
| PNP NO | CPT55D3-RPC-N8PNO | |
| PNP NC | CPT55D3-RPC-N8PNC | |
| Housing Size (mm) | 55 × 22 × 95.5 | |
| Switching Frequency | 60 Hz | |
| Supply Voltage | 18…36 V DC | |
| Voltage Drop Static | ≤ 2.5 V | |
| Temperature Drift | ≤ ±10 % | |
| Load Current | ≤ 250 mA | |
| No-Load Current | ≤ 100 mA | |
| Hysteresis | 3…20 % | |
| Repeat Accuracy | ≤ 3 % | |
| Output Indicator | LED, Red | |
| Protection Circuit | Reverse polarity, Overloaded, Short-Circuit and Surge Protection | |
| Ambient Temperature | 0…+ 60 ℃ | |
| Ambient Moisture | 35…95 % | |
| Enclosure Type (IEC 60529) | IP54 | |
| Housing Material | PA66/Teflon/Stainless Steel | |
| Connection | PVC Cable 2m | |
| Approvals / Conformity | CE | |



