
![]() |
![]() |
| Installation Condition | Flush | Non-Flush | |
| Sensing Distance Sn | 7 mm | 10 mm | |
| Product Code | DC 2-Wire NO | IDS2539D2-RPC-F7NO | IDS2539D2-RPC-N10NO |
| DC 2-Wire NC | IDS2539D2-RPC-F7NC | IDS2539D2-RPC-N10NC | |
| Switching Frequency | 500 Hz | 300 Hz | |
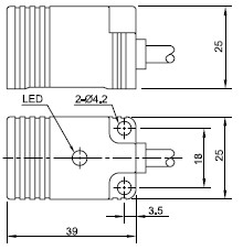
| Housing Size (mm) | 25 × 25 × 39 | ||
| Supply Voltage | 10…30 V DC | ||
| Voltage Drop Static | ≤ 8 V | ||
| Temperatures Drift | ≤ ±10 % | ||
| Load Current | ≤ 100 mA | ||
| No-Load Current | ≤ 1 mA | ||
| Hysteresis | 1…20 % | ||
| Repeat Accuracy | ≤ 3 % | ||
| Output Indicator | LED, Yellow | ||
| Protection Circuit | Reverse Polarity and Surge Protection | ||
| Ambient Temperature | -25…+70 ℃ | ||
| Ambient Moisture | 35…95 % | ||
| Enclosure Type (IEC 60529) | IP67 | ||
| Housing Material | PBT | ||
| Connection | PVC Cable 2m | ||
| Approvals / Conformity | CE | ||

