
![]() |
![]() |
| Installation Condition | Flush | Non-Flush | |
| Sensing Distance Sn | 15 mm | 25 mm | |
| Product Code | DC 2-Wire NO | IDS4068D2-RPM-F15NO | IDS4068D2-RPM-N25NO |
| DC 2-Wire NC | IDS4068D2-RPM-F15NC | IDS4068D2-RPM-N25NC | |
| Switching Frequency | 500 Hz | 300 Hz | |
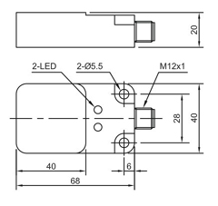
| Housing Size (mm) | 40 × 20 × 68 | ||
| Supply Voltage | 10…30 V DC | ||
| Voltage Drop Static | ≤ 6 V | ||
| Temperatures Drift | ≤ ±10 % | ||
| Load Current | ≤ 100 mA | ||
| No-Load Current | ≤ 1 mA | ||
| Hysteresis | 1…20 % | ||
| Repeat Accuracy | ≤ 3 % | ||
| Output Indicator | LED, Yellow | ||
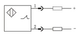
| Protection Circuit | Reverse Polarity and Surge Protection | ||
| Ambient Temperature | -25…+70 ℃ | ||
| Ambient Moisture | 35…95 % | ||
| Enclosure Type (IEC 60529) | IP67 | ||
| Housing Material | PBT | ||
| Connection | M12 Connector | ||
| Approvals / Conformity | CE | ||

