
![]() |
![]() |
| Sensing Distance Sn | 20 m | 40 m | |||
| Emitter / Receiver | Emitter | Receiver | Emitter | Receiver | |
| Product Code | NPN NO + NC | PEB76DC-RPT-E20 | PEB76DC-RPT-R20NNB | PEB76DC-RPT-E40 | PEB76DC-RPT-R40NNB |
| PNP NO + NC | PEB76DC-RPT-R20PNB | PEB76DC-RPT-R40PNB | |||
| Output Indicator | LED, Green | LED, Yellow | |||
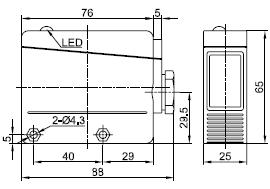
| Housing Size (mm) | 76 × 65 × 25 | ||||
| Light Type | Infrared LED(880 nm) | ||||
| Supply Voltage | 10…30 V DC | ||||
| Voltage Drop Static | ≤ 2.5 V | ||||
| Response Time Max. | 8.2 ms | ||||
| Load Current | ≤ 200 mA | ||||
| No- Load Current | ≤ 25 mA | ||||
| Repeat Accuracy | ≤ 5 % | ||||
| Protection Circuit | Reverse Polarity and Surge Protection | ||||
| Ambient Temperature | -15…+55 ℃ | ||||
| Ambient Moisture | 35…95 % | ||||
| Enclosure Type (IEC 60529) | IP67 | ||||
| Housing Material | PC / ABS | ||||
| Connection | Terminal | ||||
| Approvals / Conformity | CE | ||||