
![]() |
![]() |
| Sensing Distance Sn | 20 m | 30 m | |||||
| Emitter / Receiver | Emitter | Receiver | Emitter | Receiver | |||
| Product Code | Relay | PEB76AD-RPT-E20R | PEB76AD-RPT-R20R | PEB76AD-RPT-E30R | PEB76AD-RPT-R30R | ||
| Output Indicator | LED, Green | LED, Yellow | LED, Green | LED, Yellow | |||
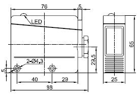
| Housing Size (mm) | 76 × 65 × 25 | ||||||
| Light Type | Infrared LED(880 nm) | ||||||
| Supply Voltage | 24…240 V AC / 12…240 V DC | ||||||
| Response Time Max. | 30 ms | ||||||
| Load Current | ≤ 3 A | ||||||
| Repeat Accuracy | ≤ 5 % | ||||||
| Protection Circuit | Surge Protection | ||||||
| Ambient Temperature | -15…+55 ℃ | ||||||
| Ambient Moisture | 35…95 % | ||||||
| Enclosure Type (IEC 60529) | IP67 | ||||||
| Housing Material | PC / ABS | ||||||
| Connection | Terminal | ||||||
| Approvals / Conformity | CE | ||||||